CQB-G型高溫保溫磁力泵
目錄
CQB-G型高溫保溫磁力泵概述
CQB-G型高溫保溫磁力驅動離心泵(簡稱高溫磁力泵)由電機,磁力偶合器水冷卻裝置和耐腐蝕離心泵四大部分組成,其主要特點是利用磁力偶合器傳遞動力,完全無泄漏。當電動機帶動磁力偶合器的外磁鋼旋轉時,磁力線穿過了間隙和隔離套,作用與內磁鋼上,使泵轉子與電動機同步旋轉,無機械接觸地傳遞扭矩。在泵的動力輸入端,由于液體被封閉在靜止的隔離套內,沒有動密封因而無泄漏,磁力偶合器的磁性材料采用了高溫介質而保持強大的磁力扭矩。在電機與磁力偶合器之間加裝了水冷卻裝置,防止泵送高溫介質之熱量傳導至電機。以保持電機的正常運轉,從而達到無泄露輸送高溫介質。
CQB-G型高溫保溫磁力泵采用多重循環冷卻結構,保證了原動力和磁傳動的可靠性和穩定性,同時采用柱銷聯軸器減少了泵的噪音和震動,便拆式和柱銷聯軸器同時使用,使泵的結構增長,更有利于泵的散熱。同時,也十分方便用戶的維修或更換零件,在泵的外轉子部分還設計了散熱風葉,確保磁鋼的穩定性。本系列泵適用于輸送高溫介質,溫度=300℃。
CQB-G高溫磁力泵廣泛應用與石油、化工、冶金、食品、水處理、國防、制藥、電鍍、環保等行業,是輸送高溫類易燃、易爆、揮發、有毒、稀有貴重液體和各種腐蝕性液體的理想設備。適用于輸送系統工作壓力小于1.6MPA,溫度不超過100度,密度不大雨1600KG/M,粘度不大于30的不含硬顆粒和纖維的液體。
CQB-G高溫磁力泵,適用于輸送系統工作壓力小于1.6MPa,溫度不超過280度,密度不大于1840kg/m3,粘度不大于30cm2/S的不喊硬顆粒和纖維的液體
CQB-G型高溫保溫磁力泵型號意義
CQB-G型高溫保溫磁力泵性能參數
|
型 號
|
口徑
|
流量
(m3/h) |
揚程
|
氣蝕余糧 |
電機功率
KW |
轉速
(r/min) |
電壓
(V) |
|
|
進口(mm)
|
出口(mm)
|
|||||||
|
CQB32-20-125G
|
32
|
20
|
3.2
|
20
|
4.5
|
1.5
|
2900
|
380
|
|
CQB32-20-160G
|
32
|
4.5
|
2.2
|
2900
|
380
|
|||
|
CQB40-25-125G
|
40
|
25
|
6.3
|
20
|
4.5
|
2.2
|
2900
|
380
|
|
CQB40-25-160G
|
32
|
4.5
|
3
|
2900
|
380
|
|||
|
CQB40-25-200G
|
50
|
4.5
|
5.5
|
2900
|
380
|
|||
|
CQB50-32-125G
|
50
|
32
|
12.5
|
20
|
4.0
|
3
|
2900
|
380
|
|
CQB50-32-160G
|
32
|
4.0
|
4
|
2900
|
380
|
|||
|
CQB50-32-200G
|
50
|
4.0
|
7.5
|
2900
|
380
|
|||
|
CQB50-32-250G
|
80
|
4.0
|
15
|
2900
|
380
|
|||
|
CQB65-50-125G
|
65
|
50
|
25
|
20
|
4.0
|
5.5
|
2900
|
380
|
|
CQB65-50-160G
|
32
|
4.0
|
7.5
|
2900
|
380
|
|||
|
CQB65-40-200G
|
40
|
50
|
4.0
|
15
|
2900
|
380
|
||
|
CQB65-40-250G
|
80
|
4.0
|
22
|
2900
|
380
|
|||
|
CQB80-65-125G
|
80
|
65
|
50
|
20
|
3.5
|
7.5
|
2900
|
380
|
|
CQB80-65-160G
|
32
|
3.5
|
15
|
2900
|
380
|
|||
|
CQB80-50-200G
|
50
|
50
|
3.5
|
22
|
2900
|
380
|
||
|
CQB80-50-250G
|
80
|
3.5
|
37
|
2900
|
380
|
|||
|
CQB100-80-125G
|
100
|
80
|
100
|
20
|
3.2
|
15
|
2900
|
380
|
|
CQB100-80-160G
|
32
|
3.2
|
22
|
2900
|
380
|
|||
|
CQB100-65-200G
|
65
|
50
|
3.2
|
37
|
2900
|
380
|
||
|
CQB100-65-250G
|
80
|
3.2
|
55
|
2900
|
380
|
|||
結構示意圖
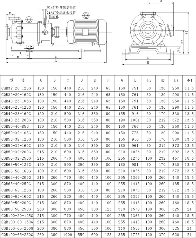
安裝尺寸
安裝使用與維護
安裝和調試
1、高溫磁力泵應水平安裝,開車前應檢查冷卻箱之潤滑油油位,若油位過低時應及時補充。開泵前,首先應打開冷卻水回路,進水管路閥門的開啟度應根據泵正常工作后冷卻出水管的溫度進行調節。
2、當抽吸液面高于泵軸心線時,起動前打開吸入管道閥門即可,若抽吸液面低于泵軸心線時,管道需配備底閥。
3、泵使用前應進行檢查,電機風葉轉動要靈活,無卡住及異常聲響,各緊固件要緊固。
4、檢查電機旋轉方向是否與磁力泵轉向標記一致。
5、電機啟動后,緩慢打開排出閥,待泵進入正常工作狀態后,再將排出閥調到所需開度。
6、泵停止工作前,應先關閉排出閥門,然后切斷電源,再關閉冷卻水管閥門。
使用注意事項
1、因磁力泵軸承的冷卻和潤滑是靠被輸送的介質,所以絕對禁止止空轉,同時避免在工作中途停電后再啟動時所造成時空載運轉。
2、被輸送介質中,若含有固體顆粒,泵入口要加過濾網;如含有鐵磁質微粒,需加磁性過濾器。
3、被輸送的介質及其溫度應在泵材允許范圍內。泵的使用溫度<280℃,大工作壓力1.6MPa,密度不大于1840kg/m3,粘度不大于30cm2/S的不含硬顆粒和纖維的液體。特殊工況應嚴格按合同協議規定。
4、對于輸送液為易沉淀結晶的介質,使用后應及時清洗,排凈泵內積液
5、磁力泵正常運行1000小時后,應拆檢軸承和端面動環的磨損情況,并更換不宜再用的易損件。
6、本系列泵內外磁性聯軸器采用高性能永磁材料,可能對下列器件產生潛在危害,表將下列器件與本系列泵保持距離。如:心臟起博器、信用卡及其它磁卡、計算器、計算機磁盤、手表等。
故障與排除方法
|
故障現象 |
原因分析 |
排除方法 |
|
泵不出水 |
1、 水泵反轉 2、 進水管漏氣 3、 泵腔儲水不足 4、 電壓太高、啟動時聯軸器打滑 5、 吸程太高 6、 閥門沒有打開 |
1、 調整電機旋轉方向 2、 杜絕漏氣 3、 增加儲水量 4、 調整電壓 5、 降低泵安裝位置 6、 校正或改變閥門 |
|
流量不足 |
1、 吸入管徑大小或堵塞 2、 葉輪流道阻塞 3、 揚程過高 4、 轉速不夠 |
1、 調換或清洗進水管 2、 清洗葉輪 3、 開大出水閥 4、 恢復額定轉速 |
|
揚程過低 |
1、 流量過大 2、 轉速太低 |
1、 關小出水閥 2、 恢復額定轉速 |
|
澡音太大 |
1、 泵軸嚴重磨損 2、 軸承嚴重磨損 3、 外磁鋼或內磁鋼與隔離套接觸 4、 密封環與葉輪研磨 5、 冷卻箱內滾動軸承磨損 |
1、 更換泵軸 2、 更換軸承 3、 拆除泵頭重新組裝 4、 更換止推環、密封環 5、 更換滾動軸承 |
|
漏液 |
1、O型密封圈損壞 |
1、 更換O型密封圈 |
訂貨須知
一、①高溫保溫磁力泵產品名稱與型號②高溫保溫磁力泵口徑③高溫保溫磁力泵揚程(m)④高溫保溫磁力泵流量⑤高溫保溫磁力泵電機功率(KW)⑥高溫保溫磁力泵轉速(r/min)⑦高溫保溫磁力泵壓〔V〕⑧高溫保溫磁力泵吸程(m)⑨高溫保溫磁力泵是否帶附件以便我們的為您正確選型。
二、若已經由設計單位選定我公司的高溫保溫磁力泵產品型號,請按高溫保溫磁力泵型號直接向揚子江泵業公司銷售部訂購。
三、當使用的場合非常重要或環境比較復雜時,請您盡量提供設計圖紙和詳細參數,由我們揚子江泵業的技術專家為您審核把關。
感謝您訪問我們揚子江泵業的網站【www.www.18pps.cn】,如有任何疑問.您可以致電給我們,我們一定會盡心盡力為您提供優質的服務。











