
G型不銹鋼防爆變頻單螺桿泵
流量:0-150m3/h;
揚程:0-240m;
功率:0.75-37kw;
轉速:500-960r/min;
口徑:20-135MM;
溫度:-15-200℃
目錄
G型單螺桿泵產品概述
G系列單螺桿泵是按迥轉嚙合容積式原理工作的新型泵種,主要工作部件是偏心螺桿(轉子)和固定的襯套(定子)。 由于該二部件的特殊幾何形狀,分別形成單獨的密封容腔,介質由軸向均勻推行流動,內部流速低,容積保持不變,壓力穩定,因而不會產生渦流和攪動。每級泵的輸出壓力為0.6MPa,揚程60m(清水),適用于輸送介質溫度80℃以下(特殊要求可達150℃)。 因定子選用多種彈性材料制成,所以這種泵對高粘度流體的輸送和含有硬質懸浮顆粒介質或含有纖維介質的輸送,有一般泵種所不能勝任的特點。其流量與轉速成正比。 傳動可采用聯軸器直接傳動,或采用調速電機,三角帶,變速箱等裝置變速。 這種泵零件少,結構緊湊,體積小,維修簡便,轉子和定子是本泵的易損件,結構簡單,便于裝拆。
G型單螺桿泵產品特點
G系列單螺桿泵具有自吸能力強、吸入高度強;螺桿泵零件少,結構緊湊,體積小,維修簡單,轉子和定子是單螺桿泵的易損件,結構簡單,便于裝拆。是按迥轉嚙合容積式原理工作的新型泵種。偏心單螺桿泵主要工作部件是偏心螺桿(轉子)和固定的襯套(定子)。工作溫度可達120攝氏度,如果采用高溫120攝氏度—350攝氏度時可同本單位聯系。由于該二部件的特殊幾何開頭分別形成單獨的密封容腔。介質由軸向均勻推行流動。內部流速代低,容積保持不變。壓力穩定,因而不會產品渦流和攪動。每級泵的輸出壓力為0.6MPa—1.2MPa,揚程60m—120m(清水),自吸高度一般在3m以上.可以當自吸排污泵產品使用。
G型單螺桿泵產品優點
1、與離心泵相比單螺桿泵無需安裝閥門,流量是穩定的線性流動。
2、與氣動隔膜泵相比單螺桿泵可輸送各種混合雜質含有氣體及固體顆粒或纖維的介質,也可輸送各種腐蝕性物質。
3、與齒輪泵相比,單螺桿泵可輸送高粘度的物質。
4、與柱塞泵,隔膜泵及齒輪泵不同的是,螺桿泵可用于藥劑填充和計量。
G型單螺桿泵工作原理
G系列單螺桿泵屬于轉子式容積泵,它是依靠螺桿與襯套相互嚙合在吸入腔和排出腔產生容積變化來輸送液體的。它是一種內嚙合的密閉式螺桿泵,主要工作部件由具有雙頭螺旋空腔的襯套(定子)和在定子腔內與其嚙合的單頭螺旋螺桿(轉子)組成。當輸入軸通過萬向節驅動轉子繞定子中心作行星回轉時,定子 — 轉子副就連續地嚙合形成密封腔,這些密封腔容積不變地作勻速軸向運動,把輸送介質從吸入端經定子 — 轉子副輸送至壓出端,吸入密閉腔內的介質流過定子而不被攪動和破壞。
G型單螺桿泵技術參數
流量:0-150m3/h;
揚程:0-240m;
功率:0.75-37kw;
轉速:500-960r/min;
口徑:20-135MM;
溫度:-15-200℃。
G型單螺桿泵型號意義
G型單螺桿泵結構圖紙
G型單螺桿泵適用范圍
環境保護:工業污水、生活污水、含有固體顆粒及短纖維的污泥濁水的輸送,特別使用于油水分離器板框壓濾機設備等。
船舶工業:輪底清洗、油水、油渣、油污水等戒指輸送。
石油工業:輸送原油、原油與水的混合物、煤田氣和水的混合物、往地層內灌注聚合物等。
醫藥、日化:各種粘稠漿、乳化液、各種軟膏化裝品
食品罐頭行業:各種粘稠淀粉、濃酒糟、糧食制品渣、各種醬類、漿類、固體物漿液
建筑行業:水泥沙漿、石灰漿、涂料、糊狀體的噴涂
采礦行業:礦井內的固體顆粒、地下水、污漿水
化學行業:各種懸浮液、油脂、各種膠體漿、各種粘合劑
印刷、造紙:高粘度油墨、墻紙的PVC高分子塑料糊和各種濃度的紙漿,短纖維漿料
工業鍋爐、電廠:水煤漿輸送
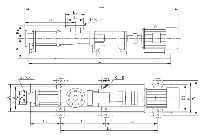
G型單螺桿泵安裝尺寸
定轉速電機直接驅動性能參數
|
型號
|
流量
(m3/h)
|
壓力
(MPa)
|
轉速
(r/min)
|
電機功率
(kw)
|
進口法
蘭通徑
(mm)
|
出口法
蘭通徑
(mm)
|
允許顆
粒直徑
(mm)
|
允許纖
維長度
(mm)
|
|
G10-1
|
0.1
|
0.6
|
960
|
0.55
|
25
|
25
|
0.8
|
15
|
|
G10-2
|
1.2
|
0.55
|
25
|
25
|
||||
|
G13-1
|
0.4
|
0.6
|
960
|
0.55
|
25
|
25
|
0.8
|
15
|
|
G13-2
|
1.2
|
0.55
|
25
|
25
|
||||
|
G15-1
|
0.6
|
0.6
|
960
|
0.55
|
25
|
25
|
1
|
20
|
|
G15-2
|
1.2
|
0.75
|
25
|
25
|
||||
|
G20-1
|
0.8
|
0.6
|
960
|
0.75
|
25
|
25
|
1.5
|
25
|
|
G20-2
|
0.6
|
1.1
|
25
|
25
|
||||
|
G25-1
|
2
|
0.6
|
960
|
1.5
|
32
|
25
|
2
|
30
|
|
G25-2
|
1.2
|
2.2
|
32
|
25
|
||||
|
G30-1
|
5
|
0.6
|
960
|
2.2
|
50
|
40
|
2.5
|
30
|
|
G30-2
|
1.2
|
3
|
50
|
40
|
||||
|
G35-1
|
8
|
0.6
|
960
|
3
|
65
|
50
|
3
|
40
|
|
G35-2
|
1.2
|
4
|
65
|
50
|
||||
|
G40-1
|
12
|
0.6
|
960
|
4
|
80
|
65
|
3.8
|
45
|
|
G40-2
|
1.2
|
5.5
|
80
|
65
|
||||
|
G50-1
|
20
|
0.6
|
960
|
5.5
|
100
|
80
|
5
|
50
|
|
G50-2
|
1.2
|
7.5
|
100
|
80
|
||||
|
G60-1
|
30
|
0.6
|
960
|
11
|
125
|
100
|
6
|
60
|
|
G60-2
|
1.2
|
15
|
125
|
100
|
||||
|
G70-1
|
45
|
0.6
|
720
|
11
|
150
|
125
|
8
|
70
|
|
G70-2
|
1.2
|
18.5
|
||||||
|
G85-1
|
65
|
0.6
|
720
|
15
|
150
|
150
|
10
|
80
|
|
G85-2
|
0.6
|
30
|
||||||
|
G105-1
|
80
|
0.6
|
720
|
22
|
200
|
150
|
10
|
80
|
|
G135-1
|
100
|
0.6
|
720
|
30
|
200
|
150
|
10
|
80
|
G型單螺桿泵使用注意事項
1.單螺桿泵使用前必先確定運轉方向,不得反轉。
2.單螺桿泵嚴禁在無介質情況下空運轉,以免損壞定予。
3.單螺桿泵新安裝或停機數天后的單螺桿泵,不能立即起動,應先向G型單螺桿泵體內注入適量機油,再用管子鉗板動幾轉后才可起動。
4.單螺桿泵輸送高粘度或含顆粒及腐蝕性的介質后,應用水或溶濟進行沖洗,防止阻塞,以免下次起動困難。
5.單螺桿泵冬季應排隊積液,防止凍裂。
6.單螺桿泵使用過程中軸承箱內應定期加潤滑油,發現軸端有滲流時,要及時處理或調換油封。
7.單螺桿泵在運行中如發生異常情況,應立即停車檢查原因,排除故障。











