產品中心 PRODUCTS LIST
磁力泵系列
您當前位置:網站首頁 >> 產品中心 >> 磁力泵系列 >> CQB-G高溫磁力驅動泵
CQB-G高溫磁力驅動泵
CQB-G 系列磁力泵適用與石油、化工、制藥、冶煉、電鍍、環保、食品、影視洗印、水處理、國防等行業。 是輸送高溫類易燃、易爆、揮發、有毒、稀有貴重液體和各類腐蝕性液體的理想設備。適用與輸送大系列工作壓力1.6Mpa,溫度不超過280度,密度不大于1840kg/m3,粘度不大于30cm/s的不含硬顆粒和纖維的液體。
目錄
CQB-G高溫磁力驅動泵概述
CQB-G高溫磁力驅動離心泵(簡稱高溫磁力泵)通常由電機,磁力偶合器水冷卻裝置和耐腐蝕離心泵四大部分組成,其主要特點是利用磁力偶合器傳遞動力,完全無泄漏。當電動機帶動磁力偶合器的外磁鋼旋轉時,磁力線穿過了間隙和隔離套,作用與內磁鋼上,使泵轉子與電動機同步旋轉,無機械接觸地傳遞扭矩。在泵的動力輸入端,由于液體被封閉在靜止的隔離套內,沒有動密封因而無泄漏,磁力偶合器的磁性材料采用了高溫介質而保持強大的磁力扭矩。在電機與磁力偶合器之間加裝了水冷卻裝置,防止泵送高溫介質之熱量傳導至電機。以保持電機的正常運轉,從而達到無泄露輸送高溫介質。泵的過流部件根據需要可分別采用304、304L、302、321、316、316L、UB6、CD4Mcu、鈦合金、鎳基合金等耐腐蝕材料。 CQB-G 系列磁力泵是全國聯合設計開發的新型完全無泄漏耐腐蝕泵,其技術經濟指標接近國外同類產品水平,其型式、基本參數及技術性能符合JB/T7742-95《小型磁力傳動離心泵》的標準要求.
主要用途及適用環境
CQB-G 系列磁力泵適用與石油、化工、制藥、冶煉、電鍍、環保、食品、影視洗印、水處理、國防等行業。 是輸送高溫類易燃、易爆、揮發、有毒、稀有貴重液體和各類腐蝕性液體的理想設備。適用與輸送大系列工作壓力1.6Mpa,溫度不超過280度,密度不大于1840kg/m3,粘度不大于30cm/s的不含硬顆粒和纖維的液體。
CQB-G高溫磁力驅動泵結構圖
CQB-G高溫磁力驅動泵性能參數
|
型 號
|
流量
Q m3 /h |
揚程
H m |
汽蝕余量
NPSH m |
轉速
n r/min |
軸功率
Pa Kw |
效率
η % |
配帶電動機功率Kw
|
|||||||||||||||||
|
介質密度g/cm3
|
||||||||||||||||||||||||
|
≤1
|
≤1.3
|
≤1.84
|
||||||||||||||||||||||
|
CQB-G 32-20-125
|
1.9
3.2 3.8 |
22
20 18.5 |
|
2900
|
0.49
0.58 0.62 |
23
30 31 |
|
|
|
|||||||||||||||
|
CQB-G 32-20-160
|
1.9
3.2 3.8 |
34
32 29 |
2900
|
0.84
0.99 1.03 |
21
28 29 |
|
|
|
||||||||||||||||
|
CQB-G 40-20-105
|
3.8
6.3 7.5 |
13
12.5 11 |
|
2900
|
0.42
0.55 0.56 |
32
29 40 |
|
|
|
|||||||||||||||
|
CQB-G 40-25-125
|
3.8
6.3 7.5 |
22
20 18.5 |
|
2900
|
0.81
0.98 1.05 |
28
35 36 |
|
|
|
|||||||||||||||
|
CQB-G 40-25-160
|
3.8
6.3 7.5 |
34
32 29 |
2900
|
1.41
1.72 1.79 |
25
32 33 |
|
|
|
||||||||||||||||
|
CQB-G 40-25-200
|
3.8
6.3 7.5 |
52.5
50 48 |
2900
|
3.02
3.43 3.77 |
18
25 26 |
|
|
|
||||||||||||||||
|
CQB-G 50-40-85
|
7.5
12.5 15 |
9
8 7.5 |
3.5
3.5 4.0 |
2900
|
0.46
0.56
0.61
|
40
49 50 |
|
|
|
|||||||||||||||
|
CQB-G 50-32-105
|
7.5
12.5 15 |
13
12.5 11 |
3.5
3.5 4.0 |
2900
|
0.760 |
35
47 48 |
|
|
|
|||||||||||||||
|
CQB-G 50-32-125
|
7.5
12.5 15 |
22
20 18.5 |
3.5
3.5 4.0 |
2900
|
1.49
1.62 1.63 |
30
42 43 |
|
|
|
|||||||||||||||
|
CQB-G 50-32-160
|
7.5
12.5 15 |
34
32 29 |
3.5
3.5 4.0 |
2900
|
2.48
2.79 2.96 |
28
39 40 |
|
|
|
|||||||||||||||
|
CQB-G 50-32-200
|
7.5
12.5 15 |
52.5
50 48 |
3.5
3.5 4.0 |
2900
|
5.10
5.49
6.13
|
21
31 32 |
|
|
|
|||||||||||||||
|
CQB-G 50-32-250
|
7.5
12.5 15 |
82
80 78.5 |
3.5
3.5 4.0 |
2900
|
9.57
10.89 13.32 |
17.5
25 26 |
|
|
|
|||||||||||||||
|
CQB-G 65-50-125
|
15
25 30 |
22
20 18.5 |
3.5
3.5 4.0 |
2900
|
2.25
2.67 2.91 |
40
51 52 |
|
|
|
|||||||||||||||
|
CQB-G 65-50-160
|
15
25 30 |
34
32 29.5 |
3.5
3.5 4.0 |
2900
|
4.34
5.07 5.48 |
32
43 44 |
|
|
|
|||||||||||||||
|
CQB-G 65-40-200
|
15
25 30 |
53
50 47 |
3.5
3.5 4.0 |
2900
|
8.66
9.20 10.1 |
25
37 38 |
|
|
|
|||||||||||||||
|
CQB-G 65-40-250
|
15
25 30 |
82
80 78.5 |
3.5
3.5 4.0 |
2900
|
13.4
14.72 16.88 |
25
37 38 |
|
|
|
|||||||||||||||
|
CQB-G 80-65-125
|
30
50 60 |
22.5
20 18 |
4.0
4.0 4.5 |
2900
|
4.48
5.24 5.55 |
41
52 53 |
|
|
|
|||||||||||||||
|
CQB-G 80-65-160
|
30
50 60 |
34
32 29 |
4.0
4.0 4.5 |
2900
|
7.72
9.08 9.67 |
36
48 49 |
|
|
|
|||||||||||||||
|
CQB-G 80-50-200
|
30
50 60 |
53
50 47 |
4.0
4.0 4.5 |
2900
|
12.03
14.80 16.34 |
36
46 47 |
|
|
|
|||||||||||||||
|
CQB-G 80-50-250
|
30
50 60 |
84
80 75 |
4.0
4.0 4.5 |
2900
|
19.06
23.08 26.07 |
36
46 47 |
|
|
|
|||||||||||||||
|
CQB-G 100-80-125
|
60
100 120 |
23
20 16.5 |
4.0
4.0 4.5 |
2900
|
8.35
9.73 9.46 |
45
56 57 |
|
|
|
|||||||||||||||
|
CQB-G 100-80-160
|
60
100 120 |
35
32 28 |
4.0
4.0 4.5 |
2900
|
12.43
15.85 16.34 |
46
55 56 |
|
|
|
|||||||||||||||
|
CQB-G 100-65-200
|
60
100 120 |
54
50 47 |
4.0
4.0 4.5 |
2900
|
21.01
25.69 28.44 |
42
53 56 |
|
|
|
|||||||||||||||
|
CQB-G 100-65-250
|
60
100 120 |
86
80 74.5 |
4.0
4.0 4.5 |
2900
|
37.98
45.39 49.69 |
37
48 49 |
|
|
|
|||||||||||||||
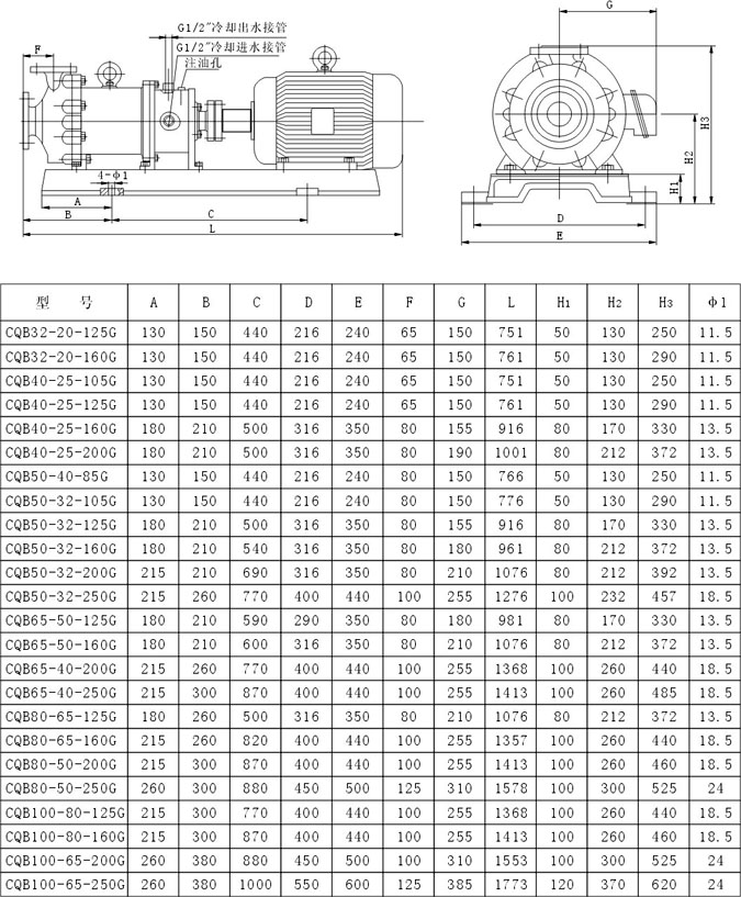
CQB-G高溫磁力驅動泵安裝尺寸
相關文章











